刊载日:2006年07月21日|类别:直线运动零件
再重新整理一下线性轴承的特征,说明如下:
|
下面通过在简易自动化设备上的应用事例,对线性轴承的使用方法和特征进行说明。
同步带驱动构造具有静音、轻量、低价格、无需给油等优点。对于XY2轴工作台的情况,通常的设计思路是使上段Y轴轻量化,下段X轴电机的负载减小。为此,Y轴多采用同步带构造。
X轴为滑动导轨,Y轴和Z轴采用线性轴承构造。驱动方式采用同步带和滚珠丝杠。


| 1. | 2个线性轴承大跨度使用,提高了承载性能和导向精度。 | |
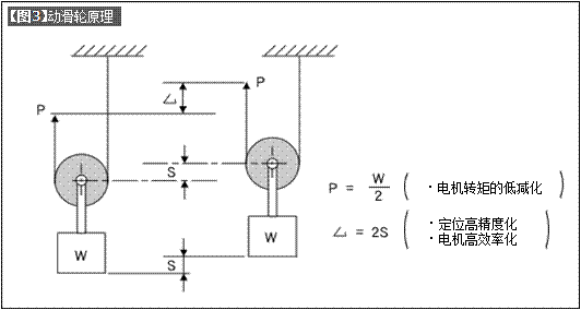
| 2. | 同步带和滑轮的设计构造采用动滑轮原理(【图3】),实现了电机功率的高效化以及定位高精度化。 | |
| 3. | 采用同步带驱动,具有轻量、静音的特点。 | |
| 4. | 采用同步带和轴上下平行配置,即使单轴构造、也可制约轴与线性轴承的相对回转。 |



下回,解说关于空心轴的事例。